USB C port input with overvoltage protection, three series lithium battery charging management board 12.6V 1A
- 2023-05-12 15:09:37
- lu Original
- 391
1 Circuit board PCB description:
1.1 Name : USB C port input with overvoltage protection,three series lithium battery charging management board 12.6V 1A
1.2 Applications:Convenient charging devices, etc.
1.3 Battery pack: 11.1Vlithium battery pack, multiple parallel or three series connection , full 12.6V
1.4 Inputvoltage: 5V ( When charging, the light will be on, and when it is fully charged,the light will turn) , Max charging current : 1A
1.5 Introduction to Chip Functions :
1, Lithium battery charging circuit:PW4053M
PW4053M Lithium battery charge management chip, Up to 3A charging current, support three series lithium battery charging.
2, Overvoltage protection circuit:PW2609
PW2609 is a USB input overvoltage protection chip, adjustable input overvoltage shutdown,default 6.1V, 36V input protection.
Function: 1, Misplaced high voltage protection 2, USB Hot Swap Protection, 3, Abnormal high voltage protection for damaged fast charger.
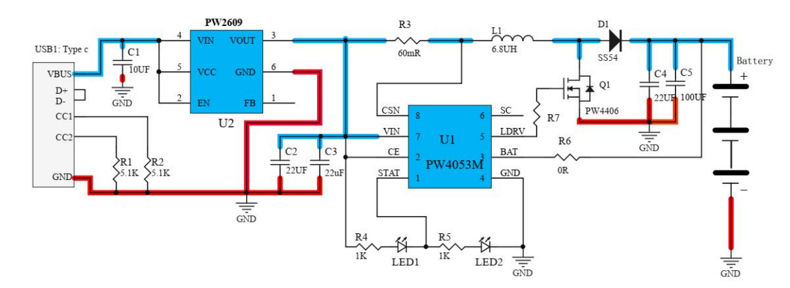
2, Circuit diagram :
PCB layout is divided into two parts: signal controlcircuit + power circuit
Note 1: The blue thick line is the power trace, the layout should be wide,; SW part (Q1, D1, L1 three devices connected) is not only the poweroutput, but also it is a noise source, the layout should be wide and the area should be small.
Note 2: The red thick line is the power ground, the main points of the drawing board: to bewide, the shorter the distance between the connecting loops at each point, the more holes are punched in the ground. (Input, C1, C2, PW2609 pin 6, C3, C4, C5,Q1 and the battery ground)
3 , PCB diagram and 3D display diagram
4 , BOM Material List .
|
Comment |
Designator |
Footprint |
Quantity |
|
0805 16V 22UF |
C2, C3 |
0805C |
2 |
|
0805 50V 10UF |
C1 |
0805C |
1 |
|
0805 25V 22UF |
C4, C5 |
0805C |
2 |
|
SS34 SMB good quality |
D1 |
SMB |
1 |
|
Integrated molded inductor 0850 6.8uh |
L1 |
SMD |
1 |
|
0603 LED Green |
LED1 |
0603SL |
1 |
|
0603 LED Red |
LED2 |
0603SL |
1 |
|
PW4406 PWCHIP MOS tube |
Q1 |
SOP8 |
1 |
|
0603 5.1k 5% |
R1, R2 |
0603SL |
2 |
|
1210 1% 60mR |
R3 |
R1210 |
3 |
|
0603 1% 20R |
R4 |
0603SL |
1 |
|
0603 5% 1k |
R4, R5 |
0603SL |
2 |
|
0603 1% 0R |
R6 |
0603SL |
1 |
|
PW4053M PWCHIP charge chip |
U1 |
SOP8 |
1 |
|
PW2609 PWCHIP Overvoltage Protection Chip |
U2 |
SOT23-6 |
1 |
|
USB TYPE C 16PIN |
USB1 |
USB |
1 |
