USB C port 5V input, three series lithium battery charging management board 12.6V 1A, PW4053M chip
- 2023-05-12 15:09:32
- lu Original
- 2010
1 Circuit board PCB description:
1.1 Name : USB C port 5V input,three series lithium battery charging management board 12.6V 1A, PW4053M chip
1.2 Applications:Convenient charging devices, etc.
1.3 Battery pack: 11.1Vlithium battery pack, multiple parallel or three series connection , full 12.6V
1.4 Inputvoltage: 5V ( When charging, the light will be on, and when it is fully charged,the light will turn) , Max charging current : 1A
1.5 Introduction to Chip Functions :
1, Lithium battery charging circuit:PW4053M
PW4053M Lithium battery charge management chip, Up to 3A charging current, support three series lithium battery charging.
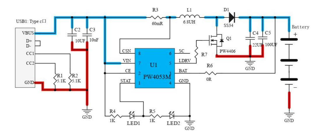
2, Circuit diagram :
PCB layout is divided into two parts: signal controlcircuit + power circuit
Note 1: The blue thick line is the power trace, the layout should be wide; SW part (Q1, D1, L1 three devices connected) is not only the power output, but also it is a noise source, the layout should be wide and the area should be small.
Note 2: The red thick line is the power ground, the main points of the drawing board: to bewide, the shorter the distance between the connecting loops at each point, the more holes are punched in the ground.(input, C5, C6, C10, C9, C8,Q1 and battery ground)
3
,
PCB diagram and 3D display diagram
4 , BOM Material List .
|
Comment |
Designator |
Footprint |
Quantity |
|
0805 16V 10UF |
C2, C3 |
0805C |
2 |
|
0805 25V 22UF |
C4, C5 |
0805C |
2 |
|
SS34 SMB good quality |
D1 |
SMB |
1 |
|
Integrated molded inductor 0850 6.8uh |
L1 |
SMD |
1 |
|
0603 LED Green |
LED1 |
0603SL |
1 |
|
0603 LED Red |
LED2 |
0603SL |
1 |
|
PW4406 PWCHIP MOS tube |
Q1 |
SOP8 |
1 |
|
0603 5.1k 5% |
R1, R2 |
0603SL |
2 |
|
1210 1% 60mR |
R3 |
R1210 |
3 |
|
0603 1% 20R |
R4 |
0603SL |
1 |
|
0603 5% 1k |
R4, R5 |
0603SL |
2 |
|
0603 1% 0R |
R6 |
0603SL |
1 |
|
PW4053M PWCHIP charge chip |
U1 |
SOP8 |
1 |
|
USB TYPE C 16PIN |
USB1 |
USB |
1 |
