PW2051,PW2052,PW2052B,PW2053,PW2058 Buck Circuit board
- 2023-05-12 15:07:09
- lu Original
- 1165
1 Circuit board PCB description:
1.1 Name : PW2051 , PW2052, PW2052B, PW2053, PW2058Buck Circuit board
1.2 Applications: Voltage buck converter board
1.3 VIN input voltage : 2.5V-5V
1.4 VOUT output voltage : 1.2V, 2.5V, 3.0V, 3.3V( The VIN>VOUT condition must be met)
1.5 Introduction to Chip Functions :
1, Buck chip:PW2051
PW2051 input voltage is 2.5V ~6V, you can set the constant voltage output voltage value by R1,R2, current up to 1.5A, package SOT23-5.
2, Buck chip:PW2052
PW2052 input voltage is 2.5V ~5.5V, you can set the constant voltage output voltage value by R1,R2, current up to 2A, package SOT23-5.
3, Buck chip:PW2052B
PW2052B input voltage is 2.3V ~6V, you can set the constant voltage output voltage value by R1,R2, current up to 2A, package SOT23-6.
4, Buck chip:PW2053
PW2053 input voltage is 2.5V ~5V, you can set the constant voltage output voltage value by R1,R2, current up to 3A, package SOT23-5.
5, Buck chip:PW2058
PW2058 input voltage is 2V ~6V, you can set the constant voltage output voltage value by R1,R2, current up to 0.8A, package SOT23-5.
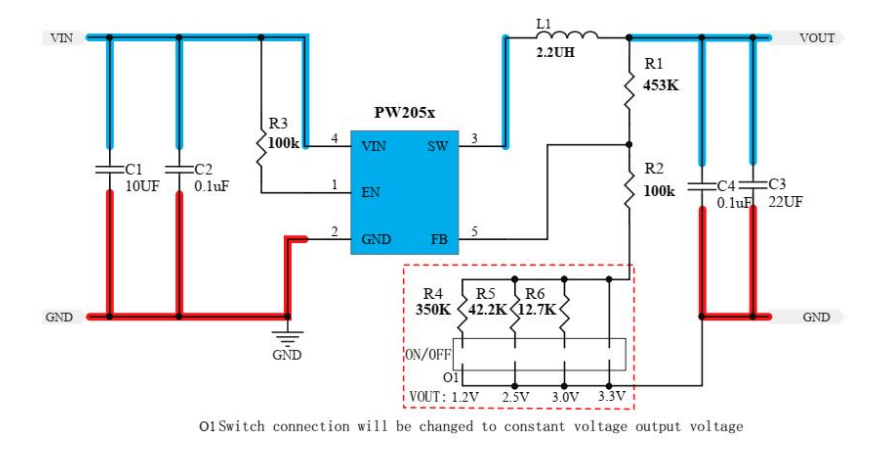
2, Circuit diagram :
Note 1: The blue thick line is the power trace, C1 input capacitor and C3 output capacitor must not be omitted. At the same time C1,C2 should be placed next to 4 pins, as close as possible.
Note 2: The red thick line is the power ground, the main points of the drawing board: to bewide, the shorter the distance between the connecting loops at each point.
3, PCB diagram and 3Ddisplay diagram
4 , BOM Material List .
|
Comment |
Designator |
Footprint |
Quantity |
|
22UF 16V 0805 |
C1, C3 |
0805 |
2 |
|
0.1uF 16V 0603 |
C2, C4 |
0603 |
2 |
|
2.54 alignment 4PIN,2 lines |
O1 |
DIP |
1 |
|
0630 2.2UH |
L1 |
SMD |
1 |
|
PW205X(PW2058,PW2051,PW2052,PW2053) |
PW1 |
SOT23-5 |
1 |
|
45K 1% 0603 |
R1 |
0603 |
1 |
|
10K 1% 0603 |
R2 |
0603 |
1 |
|
100K 5% 0603 |
R3 |
0603 |
1 |
|
35K 1% 0603 |
R4 |
0603 |
1 |
|
4.22K 1% 0603 |
R5 |
0603 |
1 |
|
1.27K 1% 0603 |
R6 |
0603 |
1 |
