PW2303 Buck Circuit board
- 2023-05-12 15:06:00
- lu Original
- 394
1 Circuit board PCB description:
1.1 Name : PW2303 BuckCircuit board
1.2 Applications : Voltage buck converterboard
1.3 VIN input voltage : 4.5V-30V
1.4 VOUT output voltage : 5V( No-load 5V input, output 5V, as the load current increases, theinput and output pressure difference is about 0.03V-0.15V, belongs to the inputand output low-voltage difference step-down product)
1.5 Introduction to Chip Functions :
1, Buck chip:PW2303
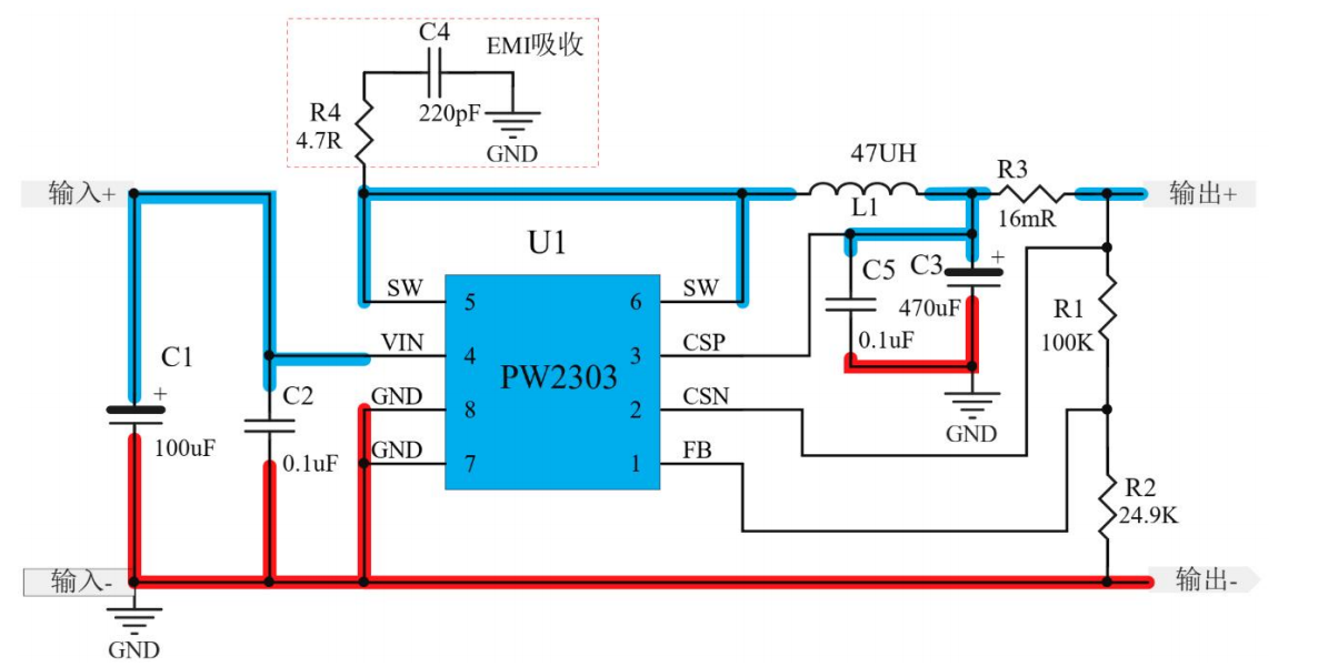
PW2303 input voltage is 4.5V~30V, you can set the constant voltage output voltage value by R1,R2, current up to 3A, package SOP8.VOUT: (R1÷ R2+1) × 1V
2, Circuit diagram :
Note 1: The blue thick line is the power trace, C1,C2 input capacitor and C3 output capacitor must not be omitted. At the same time C1,C2 should be placed next to 4pins, as close as possible..
Note 2: The red thick line is the power ground, the main points of the drawing board: to be wide, the shorter the distance between the connecting loops at each point.
3, PCB diagram and 3Ddisplay diagram
4 , BOM Material List .
|
Comment |
Designator |
Footprint |
Quantity |
|
100uF 25V 6.3*7.7mm Electrolytic capacitance |
C1 |
SMD |
1 |
|
0603 50V 0.1uF |
C2, C5 |
0603A |
2 |
|
470uF 25V 6.3mm Electrolytic capacitance |
C3 |
SMD |
1 |
|
0603 220pF 50V |
C4 |
0603A |
1 |
|
Plug-in ring type iron-silicon aluminum 47UH,Wire diameter above 0.7 |
L1 |
DIP |
1 |
|
0603 1% 100K |
R1 |
0603SL |
1 |
|
0603 1% 24.9K |
R2 |
0603SL |
1 |
|
1206 1% 16mR |
R3 |
1206R |
1 |
|
0603 4.7R 5% |
R4 |
0603SL |
1 |
|
PW2303 |
U1 |
SOP8 |
1 |
