PW2335 Buck Circuit board
- 2023-05-12 15:05:52
- lu Original
- 414
1, Circuit board PCB description:
1.1 Name : PW2335 BuckCircuit board
1.2 Applications : Voltage buck converterboard
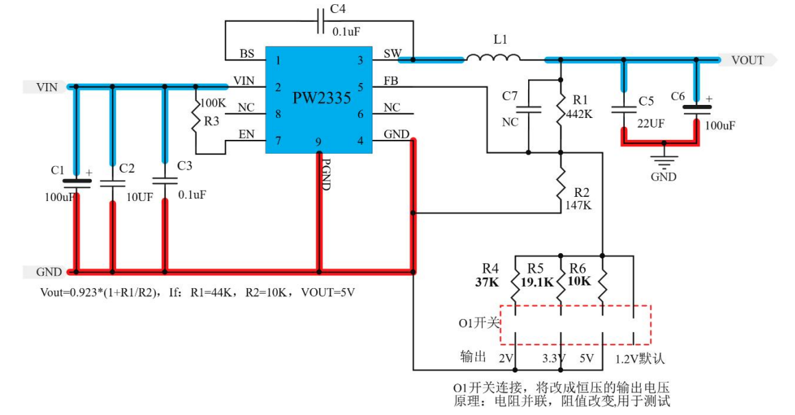
1.3 VIN input voltage : 4.5V-30V
1.4 VOUT output voltage : 5V, 3.3V, 2V, 1.2V
1.5 Introduction to Chip Functions :
1, Buck chip:PW2335
PW2335 input voltage is 4.5V~30V, you can set the constant voltage output voltage value by R1,R2, current up to 3A, package SOP8.
2 , Circuit diagram:
Note 1: The blue thick line is the power trace, C1,C2 input capacitor and C3 output capacitor must not be omitted. At the same time C1,C2 should be placed next to 4pins, as close as possible..
Note 2: The red thick line is the power ground, the main points of the drawing board: to be wide, the shorter the distance between the connecting loops at each point.
3, PCB diagram and3D displaydiagram
4 , BOM Material List .
|
Comment |
Designator |
Footprint |
Quantity |
|
100uF 35V 6.3*7.7mm Electrolytic capacitance |
C1 |
SMD |
1 |
|
0805 10uF 50V |
C2 |
0805C |
1 |
|
0603 0.1uF 50V |
C3, C4 |
0603A |
2 |
|
0805 22uF 25V |
C5 |
0805C |
1 |
|
100uF 25V 6.3*7.7mm Electrolytic capacitance |
C6 |
SMD |
1 |
|
0603 0.1uF 16V |
C7 |
0603A |
1 |
|
NC |
C7 |
0603A |
1 |
|
0650-4.7UH |
L1 |
SMD |
1 |
|
Alignment 2 lines 4PIN-2.56mm |
O1 |
DIP |
1 |
|
0603 442K 5% |
R1 |
0603SL |
1 |
|
0603 147K 1% |
R2 |
0603SL |
1 |
|
0603 44.2K 1% |
R3 |
0603SL |
1 |
|
0603 37K 1% |
R4 |
0603SL |
1 |
|
0603 19.1K 1% |
R5 |
0603SL |
1 |
|
0603 10K 1% |
R6 |
0603SL |
1 |
|
PW2335 |
U1 |
ESOP8 |
1 |
