PW2205 Buck Circuit board
- 2023-05-12 15:05:34
- lu Original
- 652
1, Circuit board PCB description:
1.1 Name : PW2205 BuckCircuit board
1.2 Applications : Voltage buck converterboard
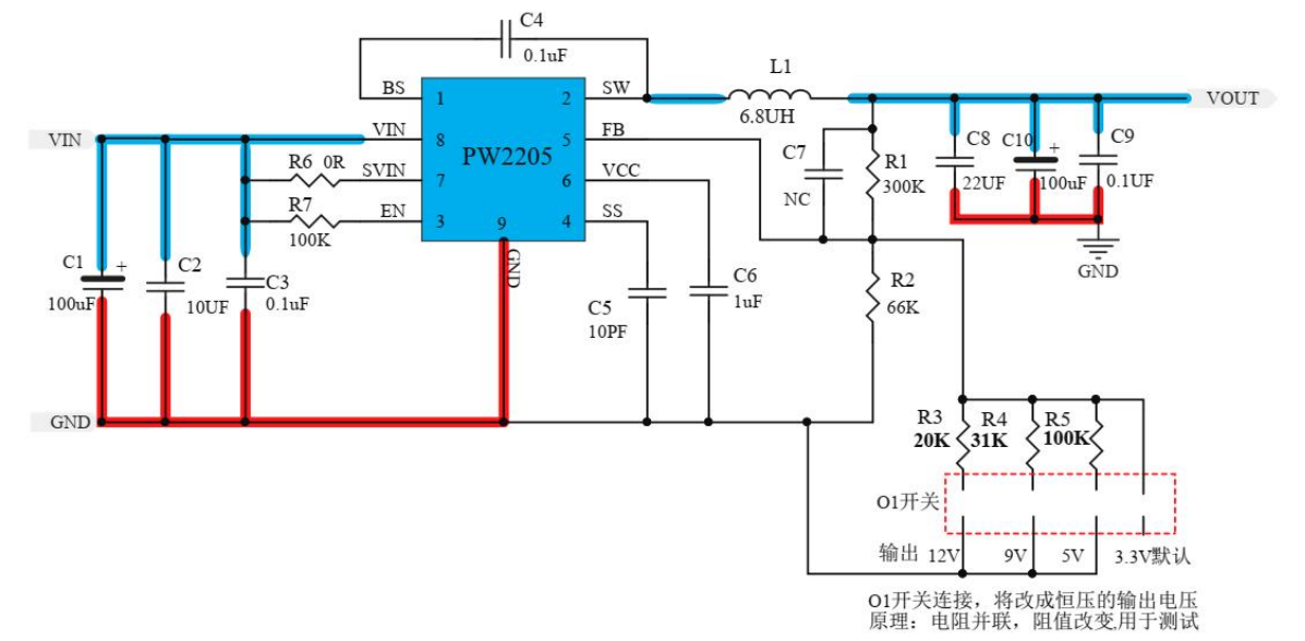
1.3 VIN input voltage : 4.5V-30V
1.4 VOUT output voltage : 5V, 3.3V, 9V, 12V( Voltage output based on 20W)
1.5 Introduction to Chip Functions :
1, Buck chip:PW2205
PW2205 input voltage is 4.5V~30V, you can set the constant voltage output voltage value by R1,R2, current up to 5A, package ESOP8.
2 , Circuit diagram:
Note 1: The blue thick line is the power trace, C1,C3 input capacitor and C8,C9 output capacitor must not be omitted. At the same time C1,C3 should be placed next to 8pins, as close as possible..
Note 2: The red thick line is the power ground, the main points of the drawing board: to be wide, the shorter the distance between the connectingloops at each point.
3, PCB diagram and 3Ddisplay diagram
4 , BOM Material List .
|
Comment |
Designator |
Footprint |
Quantity |
|
100uF 35V 6.3*7.7mm Electrolytic capacitance |
C1 |
SMD |
1 |
|
0603 0.1UF 50V |
C2, C4, C9 |
0603A |
3 |
|
0805 10UF 50V |
C3 |
0805C |
1 |
|
0603 10PF 25V |
C5 |
0603A |
1 |
|
0603 1UF 25V |
C6 |
0603A |
1 |
|
100uF 25V 6.3*7.7mm Electrolytic capacitance |
C7 |
SMD |
1 |
|
NC |
C7 |
0603A |
1 |
|
0805 10UF 25V |
C8 |
0805C |
1 |
|
1050 6.8UH Integrated molded inductor |
L1 |
SMD |
1 |
|
Alignment 2 lines 4PIN-2.56mm |
O1 |
DIP |
1 |
|
0603 300K 1% |
R1 |
0603SL |
1 |
|
0603 66K 1% |
R2 |
0603SL |
1 |
|
0603 20K 1% |
R3 |
0603SL |
1 |
|
0603 31K 1% |
R4 |
0603SL |
1 |
|
0603 100K 1% |
R5 |
0603SL |
1 |
|
0603 0R 1% |
R6 |
0603SL |
1 |
|
0603 100K 5% |
R7 |
0603SL |
1 |
|
PW2205 |
U1 |
ESOP8 |
1 |
