PW2224 Buck-Boost Circuit board
- 2023-05-12 15:05:03
- lu Original
- 468
1 Circuit board PCB description:
1.1 Name : PW2224 Buck-Boost Circuit board
1.2 Applications : Voltage buck converter board
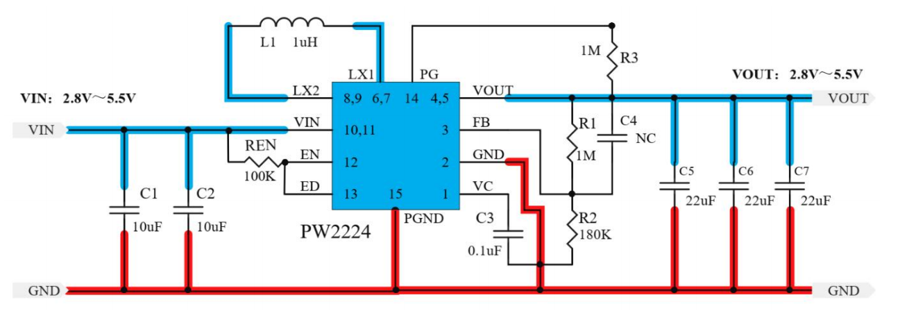
1.3 VIN input voltage : 2.8V-5.5V
1.4 VOUT output voltage : 3.3V
1.5 Introduction to Chip Functions :
1, Buck chip:PW2224
PW2224 input voltage is 2.8V~5.5V, you can set the constant voltage output voltage value byR1,R2, current up to 3A(3A in buck mode, 1A output recommended for boost mode),package DFN14.
2, Circuit diagram :
3, PCB diagram and 3Ddisplay diagram
4 , BOM Material List .
|
Comment |
Designator |
Footprint |
Quantity |
|
100uF 63V SMD Aluminum Capacitor |
C1 |
SMD |
1 |
|
0.1uF 63V 0805 |
C2 |
0805C |
1 |
|
0.1uF 25V 0603 |
C3 |
0603A |
1 |
|
22uF 25V 0805 |
C4 |
0805C |
1 |
|
100uF 25V SMD Aluminum Capacitor |
C5 |
SMD |
1 |
|
NC |
C6 |
0603A |
1 |
|
SS38 SMB |
D1 |
SMB |
1 |
|
0630-4.7UH SMD inductor |
L1 |
SMD |
1 |
|
2.54 alignment 4PIN,2 lines |
O1 |
DIP |
1 |
|
453K 1% 0603 |
R1 |
0603SL |
1 |
|
100K 1% 0603 |
R2 |
0603SL |
1 |
|
46.4K 1% 0603 |
R3 |
0603SL |
1 |
|
158K 1% 0603 |
R4 |
0603SL |
1 |
|
31K 1% 0603 |
R5 |
0603SL |
1 |
|
100K 5% 0603 |
R6 |
0603SL |
1 |
|
PW2558 |
U1 |
SOT23-6 |
1 |
