Lithium battery charge and discharge board 5V1A Charge and discharge 5V1A
- 2023-05-12 15:04:36
- lu Original
- 391
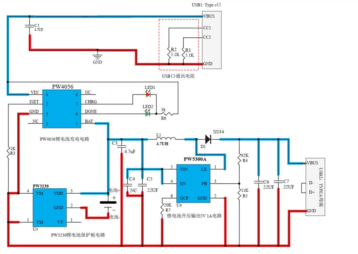
1 Circuit board PCB description:
1.1 Name : Lithium battery charge and discharge board 5V1A Charge and discharge 5V1A
1.2 Applications : Convenient chargingdevices, etc.
1.3 Battery pack : 3.7V lithium batterypack, multiple parallel or single series connection, full 4.2V(Light up LED1when charging, LED2 lights up when fully charged, LED1 flashes when notconnected)
1.4 Input : USB type C 5V, Charge Current 1000mA
1.5 Output : 5V voltage, current upto 1200mA (3.7V lithium battery voltage)
1.6 Introduction to Chip Functions :
1, B lithium battery charging circuit:PW4056
PW4056 Lithium battery charge management chip, Up to 1A charging current, support 1 multi-parallel lithium battery charging.
2, C boost output chip circuit:PW5300A
PW5300A, input voltage 2.2V-16V, output adjustable to 20V,when 3.7V input, 5V output, current up to 1200mA.
3, A lithium battery protection circuit:PW3230
PW3230 is a l ithium battery charging and discharging protection board chip, withouta single peripheral component.
2,
Circuit diagram
:
3 , PCB diagram and 3D display diagram
4 , BOM Material List .
|
Comment |
Designator |
Quantity |
|
0603 1UF 16V |
C2 |
1 |
|
0603 4.7UF 16V |
C3 |
1 |
|
0805 16V 22UF |
C4, C5, C6 |
3 |
|
SS34 SMB |
D1 |
1 |
|
Integrated molded inductor 0630 -4.7UH |
L1 |
1 |
|
0603 LED Red |
LED1 |
1 |
|
0603 LED Green |
LED2 |
1 |
|
0603 5.1K 1% |
R1, R2 |
2 |
|
0603 1K 1% |
R3 |
1 |
|
0603 88K 1% |
R4 |
1 |
|
0603 12K 1% |
R5 |
1 |
|
0603 1K 5% |
R6 |
1 |
|
0603 20K 1% |
R7 |
1 |
|
NC |
R8 |
1 |
|
PW4056 PWCHIP |
U1 |
1 |
|
PW5300A PWCHIP |
U2 |
1 |
|
PW3230 PWCHIP |
U3 |
1 |
|
USB TYPE C 6PIN |
USB1 |
1 |
|
USB |
USB2 |
1 |
