Lithium battery charge and discharge board 5V2A charge and boost discharge 5V2.4A, input voltage resistance
- 2023-05-12 14:58:42
- lu Original
- 452
1 Circuit board PCB description:
1.1 Name : Lithium battery charge and discharge board5V2A charge and boost discharge 5V2.4A, input voltage resistance
1.2 Applications : Convenient charging devices, etc.
1.3 Battery pack : 3.7V lithium batterypack, multiple parallel or single series connection, full 4.2V(Light up LED1when charging, light up LED2 when charging)
1.4 Input : USB type C 5V, Charge Current 2000mA
1.5 Output : 5V voltage, current upto 2400mA (3.7V lithium battery voltage)
1.6 Introduction to Chip Functions :
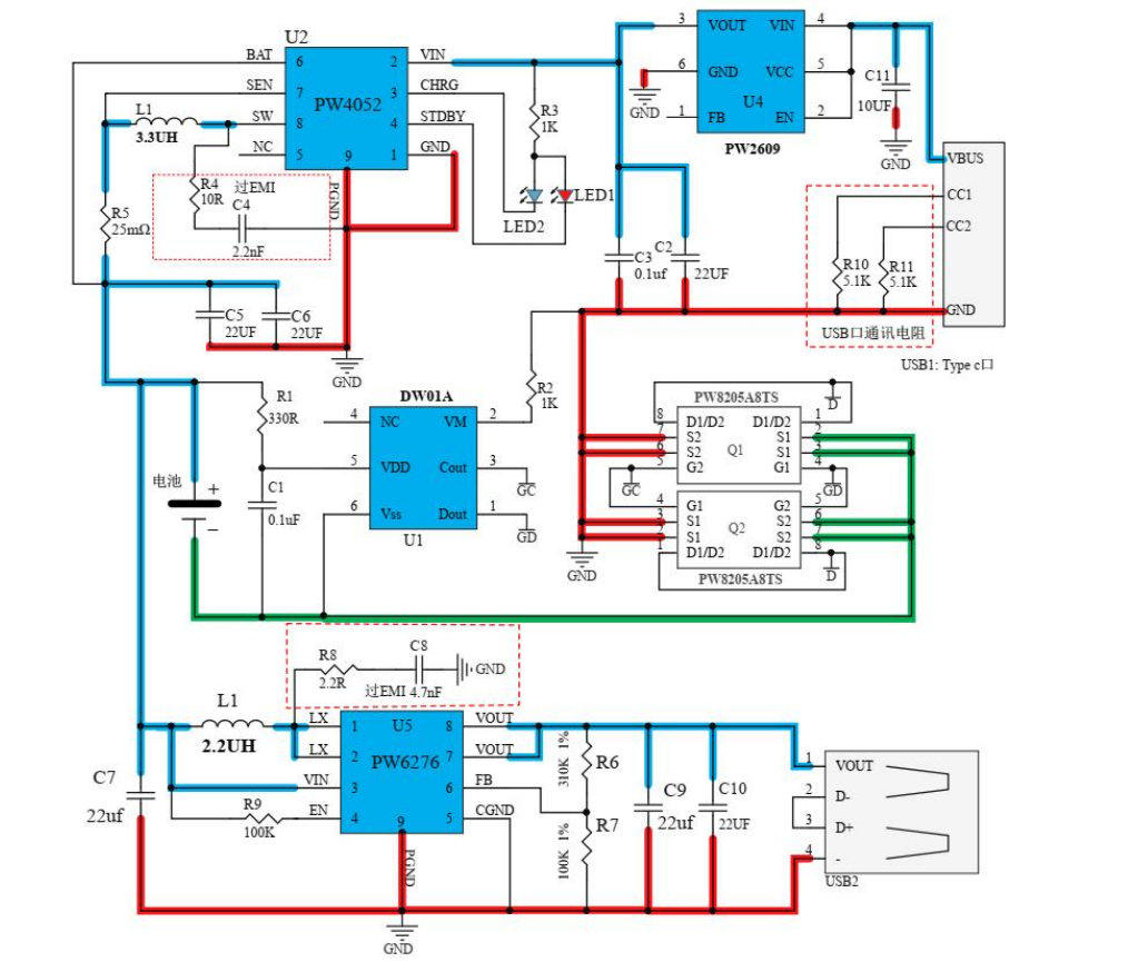
1, B lithium battery charging circuit:PW4052
PW4052 is a Lithium battery charge management chip, Up to 2A charging current, support 1multi-parallel lithium battery charging.
2, C boost output chip circuit:PW6276
PW6276, input voltage 3V-4.5V,output adjustable to 5V, current up to 2400mA.
3, A lithium battery protection circuit:DW01A
DW01A is a lithium battery charge and discharge protection board chip, peripheral with MOS, canexpand the overcurrent protection current.
4, Input overvoltageOVP protection circuit
PW2609 is an adjustable OVP overvoltage shutdown protection threshold protection chip,adjustable range 3V-20V, SOT23-6 package, input voltage withstand up to 36V,can resist the input peak voltage of 36V or less protection.
2, Circuit diagram :
Note 1: In the picture above, the battery ground is separated from the GND(Ground).
3 , PCB diagram and 3D display diagram
4 , BOM Material List .
|
Comment |
Designator |
Quantity |
|
0603 16V 0.1UF |
C1, C3, C10 |
3 |
|
0805 16V 22UF |
C2, C5, C6, C9 |
4 |
|
0603 16V 3.3nF |
C4 |
1 |
|
0805 16V 10UF |
C7 |
1 |
|
0603 16V 4.7nF |
C8 |
1 |
|
0805 50V 10UF |
C11 |
1 |
|
NC |
C12 |
1 |
|
0650 Integrated molded inductor 3.3UH |
L1, L2 |
2 |
|
0603 LED Red |
LED1 |
1 |
|
0603 LED Blue |
LED2 |
1 |
|
PW8205A8TS PWCHIP |
Q1, Q2 |
2 |
|
0603 1% 1K |
R1 |
1 |
|
0603 1% 100R |
R2 |
1 |
|
0603 5% 1k |
R3 |
1 |
|
0603 5% 0.5R |
R4 |
1 |
|
1206 1% 50mR |
R5 |
1 |
|
0603 1% 310K |
R6 |
1 |
|
0603 1% 100K |
R7 |
1 |
|
0603 1% 2.2R |
R8 |
1 |
|
0603 5% 100K |
R9 |
1 |
|
0603 1% 5.1K |
R10, R11 |
2 |
|
DW01A PWCHIP |
U1 |
1 |
|
PW4052 PWCHIP |
U2 |
1 |
|
PW6276 PWCHIP |
U3 |
1 |
|
PW2609 PWCHIP |
U4 |
1 |
|
PL515 USB Intelligent charging protocol |
U6 |
1 |
|
USB TYPE C 6PIN |
USB1 |
1 |
|
USB A |
USB2 |
1 |
