Lithium battery charge and discharge board 5V3A charge and boost discharge 5V3A, input voltage resistance 36V
- 2023-05-12 14:58:37
- lu Original
- 1413
1 Circuit board PCB description:
1.1 Name : Lithium battery charge and discharge board5V3A charge and boost discharge 5V3A, input voltage resistance 36V
1.2 Applications : Convenient charging devices, etc.
1.3 Battery pack : 3.7V lithium battery pack, multiple parallel or single series connection, full 4.2V(Light up LED1when charging, light up LED2 when charging)
1.4 Input : USB type C 5V, Charge Current 3000mA
1.5 Output : 5V voltage, current upto 500mA (3.7V lithium battery voltage)
1.6 Introduction to Chip Functions :
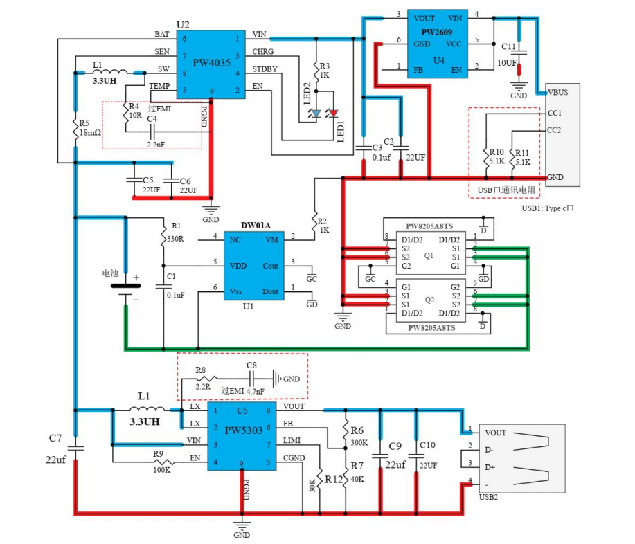
1, B lithium battery charging circuit:PW4035
The PW4035 is a 5Vinput lithium battery charging management chip, which can reach up to 3Acharging current and support the charging of one multi-parallel lithium battery.
2, C boost output chip circuit:PW5303
PW5303, input voltage 2.5V-4.5V, output adjustable to 5V, current up to 3000mA.
3, A lithium battery protection circuit:DW01A
DW01A is a lithium battery charge and discharge protection board chip, peripheral with MOS, can expand the overcurrent protection current.
4, Input overvoltageOVP protection circuit
PW2609 is an adjustable OVP overvoltage shutdown protection threshold protection chip,adjustable range 3V-20V, SOT23-6 package, input voltage withstand up to 36V,can resist the input peak voltage of 36V or less protection.
2, Circuit diagram :
Note 1: In the picture above, the battery ground is separated from the GND(Ground).
3 , PCB diagram and 3D display diagram
4 , BOM Material List .
|
Comment |
Designator |
Quantity |
|
0603 16V 0.1UF |
C1, C3, C10 |
3 |
|
0805 16V 22UF |
C2, C5, C6, C9 |
4 |
|
0603 16V 3.3nF |
C4 |
1 |
|
0805 16V 10UF |
C7 |
1 |
|
0603 16V 4.7nF |
C8 |
1 |
|
0805 50V 10UF |
C11 |
1 |
|
0650 Integrated molded inductor 3.3UH |
L1, L2 |
2 |
|
0603 LED Red |
LED1 |
1 |
|
0603 LED Blue |
LED2 |
1 |
|
PW8205A8TS PWCHIP |
Q1, Q2 |
2 |
|
0603 1% 1K |
R1 |
1 |
|
0603 1% 100R |
R2 |
1 |
|
0603 5% 1k |
R3 |
1 |
|
0603 5% 0.5R |
R4 |
1 |
|
1206 1% 18mR |
R5 |
1 |
|
0603 1% 300K |
R6 |
1 |
|
0603 1% 40K |
R7 |
1 |
|
0603 1% 2.2R |
R8 |
1 |
|
0603 5% 100K |
R9 |
1 |
|
0603 1% 5.1K |
R10, R11 |
2 |
|
0603 1% 30K |
R12 |
1 |
|
0603 5% 10K |
R13 |
1 |
|
DW01A PWCHIP |
U1 |
1 |
|
PW4035 PWCHIP |
U2 |
1 |
|
PW5303 PWCHIP |
U3 |
1 |
|
PW2609 PWCHIP |
U4 |
1 |
|
PL515 USB Intelligent charging protocol |
U6(Optional) |
1 |
|
USB TYPE C 6PIN |
USB1 |
1 |
|
USB A |
USB2 |
1 |
