5V1A input two series lithium battery charging, battery voltage regulator 5V1A output
- 2023-05-12 14:58:13
- lu Original
- 903
1 Circuit board PCB description:
1.1 Name : 5V1A input two series lithium batterycharging, battery voltage regulator 5V1A output
1.2 Applications : Convenient charging devices, etc.
1.3 Battery pack: 7.4V lithium battery pack,multiple parallel or two series connection, full 8.4V
1.4 Input voltage: 5V1A ( When charging, the light will be on, and when it is fully charged,the light will turn, and the light will flash without connecting the battery)
1.5 Introduction to Chip Functions:
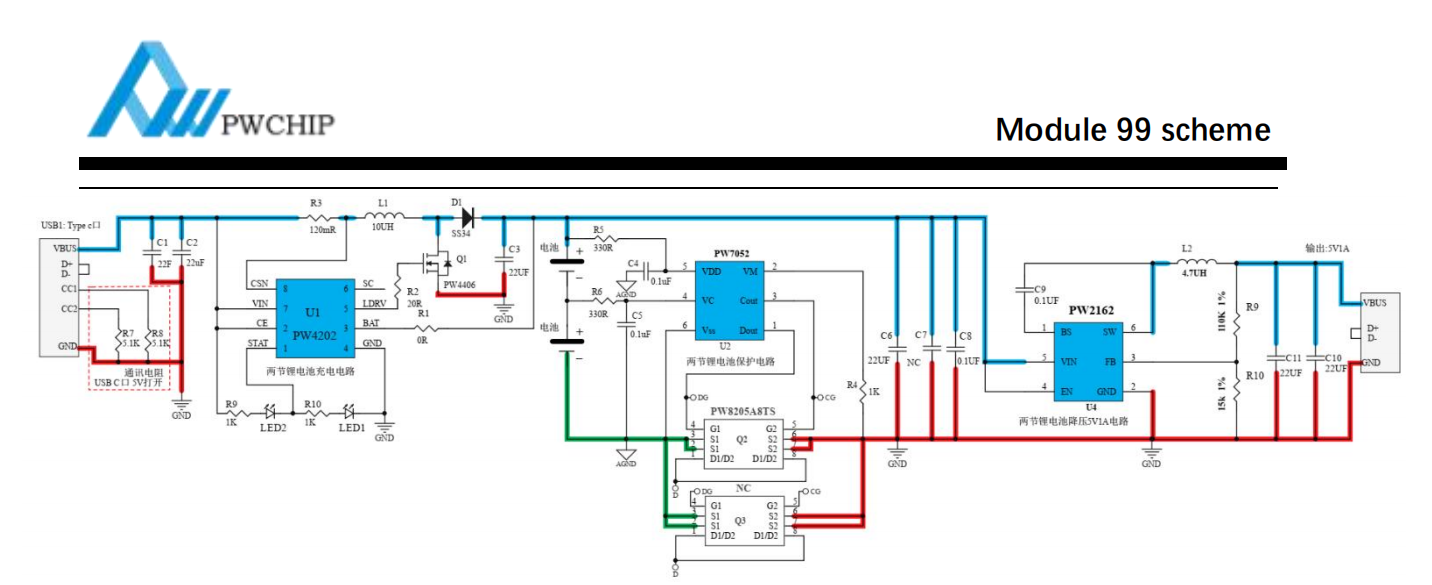
1, B lithium battery charging circuit:PW4202
PW4202 is a lithium battery charging management chip, external MOS, up to 3A chargingcurrent,support 5V input boost two series of lithium battery charging.
2, A lithium battery protection circuit :PW7052
PW7052 is a two series lithium battery overcharge, overdischarge, overcurrent detection protection circuit chip, parallel MOS can increase the overcurrent protection value.
3, Lithium batteryoutput circuit :PW2162
PW2162 is a DC-DCbuck constant voltage chip, input 3.5V-16V, adjustable constant voltage outputvoltage value, output up to 2A current.
2, Circuit diagram :
PCB layout is divided into two parts: signal controlcircuit + power circuit
Note 1: The blue thick line is the power trace, the layout should be wide,; SW part (Q1, D1, L1 three devices connected) is not only the power output, but also it is a noise source, the layout should be wide and the area should be small.
Note 2: The red thick line is the power ground, the main points of the drawing board: to be wide, the shorter the distance between the connecting loops at each point, themore holes are punched in the ground.
3, PCB diagram and 3Ddisplay diagram
4 , BOM Material List .
|
Comment |
Designator |
Quantity |
|
0805 16V 22UF |
C1, C2, C3, C6, C7, C10, C11 |
7 |
|
0603 0.1UF 16V |
C4, C5, C8, C9 |
4 |
|
0603 1UF 50V (LDO part) |
CIN, CIN2 |
2 |
|
0603 10UF 16V (LDO part) |
COUT, VO2 |
2 |
|
SS34 SMB |
D1 |
1 |
|
Integrated molded inductor 0650-10UH |
L1 |
1 |
|
Integrated molded inductor 0630- 3.3UH |
L2 |
1 |
|
PW6206 SOT23-3(LDO part) |
LDO1 |
1 |
|
PW6513 SOT89-3(LDO part) |
LDO2 |
1 |
|
0603 LED Red |
LED1 |
1 |
|
0603 LED Green |
LED2 |
1 |
|
PW4406 PWCHIP |
Q1 |
1 |
|
PW8205A8TS PWCHIP |
Q2 |
1 |
|
NC |
Q3 |
1 |
|
0603 0R 1% |
R1 |
1 |
|
0603 20R 1% |
R2 |
1 |
|
1210 120mR 1% |
R3 |
1 |
|
0603 1K 1% |
R4 |
1 |
|
0603 330R 1% |
R5, R6 |
2 |
|
0603 5.1K 1% |
R7, R8 |
2 |
|
0603 1K 5% |
R9, R10 |
2 |
|
0603 40K 1% |
R12 |
1 |
|
0603 300K 1% |
R13 |
1 |
|
0805 10R 5%(LDO part) |
R absorption |
1 |
|
PW4202 PWCHIP |
U1 |
1 |
|
PW7052 PWCHIP |
U2 |
1 |
|
PW2162 PWCHIP |
U3 |
1 |
|
USB TYPE C 6PIN |
USB1 |
1 |
|
USB A |
USB2 |
1 |
