Two series lithium battery charging and discharging board,5V2A input and output, input voltage protection 36V
- 2023-05-12 14:58:03
- lu Original
- 376
1 Circuit board PCB description:
1.1 Name : Two series lithium battery charging anddischarging board,5V2A input and output, input voltage protection 36V
1.2 Applications : Convenient charging devices, etc.
1.3 Battery pack: 7.4V lithium battery pack,multiple parallel or two series connection, full 8.4V
1.4 Input ( USB1): 5V2A( When charging, the light will be on, and when it is fully charged,the light will turn, and the light will flash without connecting the battery)
1.5 Output ( USB2): 5V2.4A ( up to 3A)
1.6 Introduction to Chip Functions :
1, B lithium battery charging circuit:PW4584
PW4584 is alithium battery charging management chip, built-in MOS, up to output 8.4V 1Acharging, support 5V input boost two series lithium battery charging.
2, A lithium battery protection circuit :PW7052
PW7052 is a two series lithium battery overcharge, overdischarge, overcurrent detection protection circuit chip, parallel MOS can increase the overcurrent protectionvalue.
3, Lithium battery output circuit :PW2163
PW2163 is a DC-DC buck constant voltage chip, input 4.5V-18V, adjustable constant voltage outputvoltage value, output up to 3A current.
4, Input overvoltageprotection threshold circuit :PW2609
PW2609 is a USB input overvoltage protection chip, input overvoltage adjustable threshold off,36V input high withstand voltage.
Function: 1, Misplaced high voltage protection 2, USB Hot Swap Protection, 3, Abnormal high voltage protection fordamaged fast charger.
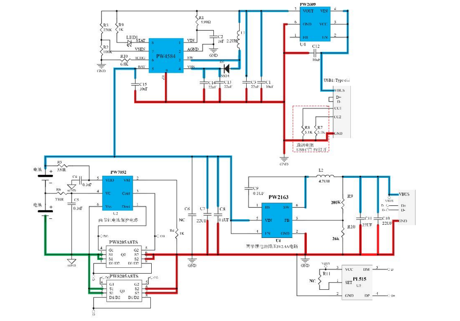
2, Circuit diagram :
PCB layout is divided into two parts: signal controlcircuit + power circuit
Note 1: The blue thick line is the power trace, the layout should be wide,; SW part (PW2163 PIN 6 and L1, D1, Q1 three devices connected) is not onlythe power output, but also it is a noise source, the layout should be wide and the area should be small.
Note 2: The red thick line is the power ground, the main points of the drawing board: to be wide, the shorter the distance between the connecting loops at each point, themore holes are punched in the ground.
3, PCB diagram and 3Ddisplay diagram
4 , BOM Material List .
|
Comment |
Designator |
Quantity |
|
0805 16V 10UF |
C1, C15 |
2 |
|
0603 1UF 16V |
C2 |
1 |
|
0805 16V 22UF |
C3, C7, C10, C11, C13, C14 |
6 |
|
0603 0.1UF 16V |
C4, C5, C8, C9 |
4 |
|
NC |
C6 |
1 |
|
0805 50V 10UF |
C12 |
1 |
|
SS34 SMB |
D1 |
1 |
|
Integrated molded inductor 0850-2.2UH |
L1 |
1 |
|
Integrated molded inductor 0850- 3.3UH |
L2 |
1 |
|
0603 LED Red |
LED1 |
1 |
|
PW8205A8TS PWCHIP |
Q2, Q3 |
2 |
|
0603 4.99R 5% |
R1 |
1 |
|
0603 100K 1% |
R2 |
1 |
|
0603 270K 1% |
R3 |
1 |
|
0603 1K 1% |
R4 |
1 |
|
0603 330R 1% |
R5, R6 |
2 |
|
0603 5.1K 1% |
R7, R8 |
2 |
|
0603 1K 5% |
R9 |
1 |
|
0603 6.8K 1% |
R10 |
1 |
|
NC |
R11 |
1 |
|
0603 26K 1% |
R12 |
1 |
|
0603 200K 1% |
R13 |
1 |
|
PW4584 PWCHIP |
U1 |
1 |
|
PW7052 PWCHIP |
U2 |
1 |
|
PW2163 PWCHIP |
U3 |
1 |
|
PW2609 PWCHIP |
U4 |
1 |
|
PL515 USB Intelligent charging protocol |
U5 |
1 |
|
USB TYPE C 6PIN |
USB1 |
1 |
|
USB A |
USB2 |
1 |
Note: Materials for additional LDO circuit parts are notincluded.
