Three series lithium battery charging and discharging board, 5V-9V2A input and 5V output
- 2023-05-12 14:57:21
- lu Original
- 367
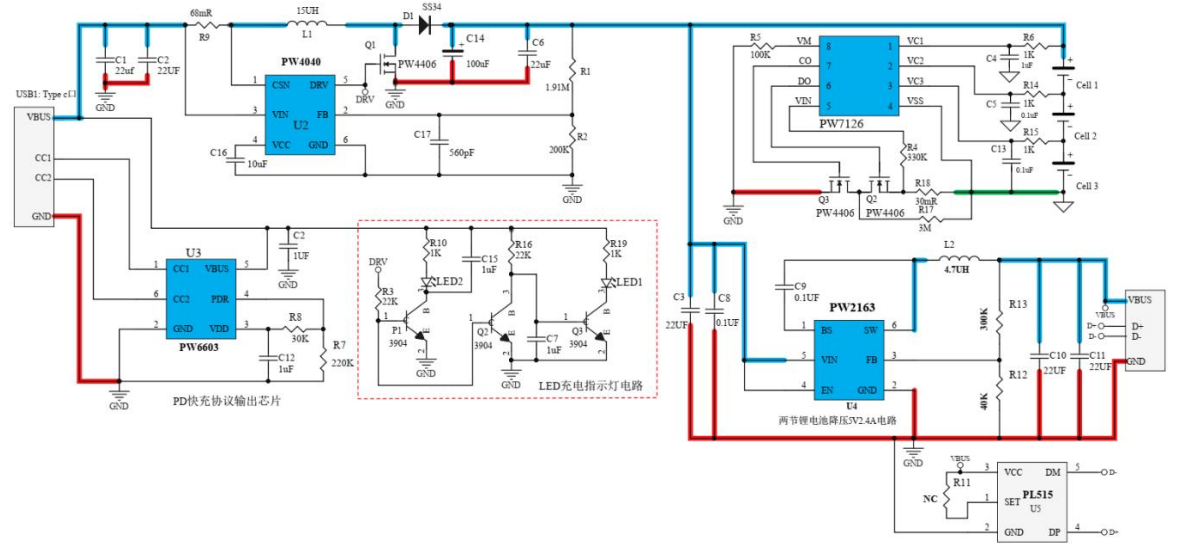
1 Circuit board PCB description:
1.1 Name : Three series lithium battery charging anddischarging board, 5V-9V2A input and 5V output
1.2 Applications:Convenient charging devices, etc.
1.3 Battery pack: 11.1V lithium battery pack,multiple parallel or two series connection, full 12.6V
1.4 Input ( USB1): 5V2A( When charging, the light will be on, and when it is fully charged,the light will turn, and the light will flash without connecting the battery)
1.5 Input( USB2): 5V2.4A (Maximum 3A)
1.6 Introduction to Chip Functions:
1, B lithium battery charging circuit: PW4040
PW4040 is a wide voltage muti-lithium battery charging management chip, built-in MOS, up to output 3A charging, support 5V-9V input boost three series lithium battery charging.
2, A lithium battery protection circuit : PW7126
PW7126 is a threeseries lithium battery overcharge, overdischarge, overcurrent detectionprotection circuit chip, parallel MOS can increase the overcurrent protection value.
3, Lithium batteryoutput circuit : PW2163
PW2163 is a DC-DCbuck constant voltage chip, input 4.5V-18V, adjustable constant voltage outputvoltage value, output up to 3A or 5A current.
Extra : Lithium battery power equalization circuit: PW2213
PW2213 is a lithium battery power equalization circuit chip. Multi-string lithium battery andmulti-parallel circuit are available.
2, Circuit diagram :
PCB layout is divided into two parts: signal controlcircuit + power circuit
Note 1: The blue thick line is the power trace, the layout should be wide,; SW part (PW2163 PIN 6 and L1, D1, Q1 three devices connected) is not only the power output, but also it is a noise source, the layout should be wide andthe area should be small.
Note 2: The red thick line is the power ground, the main points of the drawing board: to be wide, the shorter the distance between the connecting loops at each point, the more holes are punched in the ground.
3, PCB diagram and 3Ddisplay diagram
4 , BOM Material List .
|
Comment |
Designator |
Quantity |
|
0805 25V 22UF |
C1, C2, C6 |
3 |
|
0805 25V 22UF |
C3 |
1 |
|
0603 1UF 25V |
C4, C7, C12, C15 |
4 |
|
0603 0.1UF 25V |
C5, C13 |
2 |
|
0603 0.1UF 50V |
C8, C9 |
2 |
|
0805 16V 22UF |
C10, C11 |
2 |
|
100uF 25V 6.3MM Electrolytic capacitance |
C14 |
1 |
|
0603 10UF 25V |
C16 |
1 |
|
0603 560pF 25V |
C17 |
1 |
|
SS34 SMB |
D1 |
1 |
|
Integrated molded inductor 0850-15UH |
L1 |
1 |
|
Integrated molded inductor 0850- 3.3UH |
L2 |
1 |
|
0603 LED Red |
LED1 |
1 |
|
0603 LED Green |
LED2 |
1 |
|
MMBT3904 SOT523 |
P1, P2, P3 |
3 |
|
PW6206-3.3V |
PW6206, PW7533L |
2 |
|
PW6513B pin-5V |
PW6513B, PW7550 |
2 |
|
PW7126 PWCHIP Lithium battery protection board IC |
PW7126 |
1 |
|
PW4406 PWCHIP |
Q1, Q2, Q3 |
3 |
|
0603 1.9M 1% |
R1 |
1 |
|
0603 200k 1% |
R2 |
1 |
|
0603 22K 5% |
R3 |
1 |
|
0603 330K 1% |
R4 |
1 |
|
0603 100K 1% |
R5 |
1 |
|
0603 1K 1% |
R6, R14, R15 |
3 |
|
0603 220K 1% |
R7 |
1 |
|
0603 30K 1% |
R8 |
1 |
|
1210 68mΩ 1% |
R9 |
1 |
|
0603 1K 1% |
R10 |
1 |
|
0603 1K 5% |
R11 |
1 |
|
0603 40K 1% |
R12 |
1 |
|
0603 300K 1% |
R13 |
1 |
|
0603 22K 5% |
R16 |
1 |
|
0603 3M 1% |
R17 |
1 |
|
1210 30mR 1% |
R18 |
1 |
|
0603 1K 5% |
R19 |
1 |
|
PW4040 PWCHIP |
U1 |
1 |
|
PW6603 PWCHIP |
U3 |
1 |
|
PW2163B PWCHIP |
U4 |
1 |
|
PL515 Intelligent charging protocol |
U5 |
1 |
|
USB TYPE C 6PIN |
USB1 |
1 |
|
USB A |
USB2 |
1 |
Note: The BOM for LDO and equalization circuits are not included.
