Login
Register
简
繁
En
Home
Products
MOSFET
OVP/OCP Protection
Li-ion Charger
Li-ion Protector
LDO
Voltage Detector
DC-DC Boost
DC-DC Buck
DC-DC buck-Boost
USB Fast charging
PCB design scheme
Support
About us
Current Page :
Home
OVP/OCP Protection
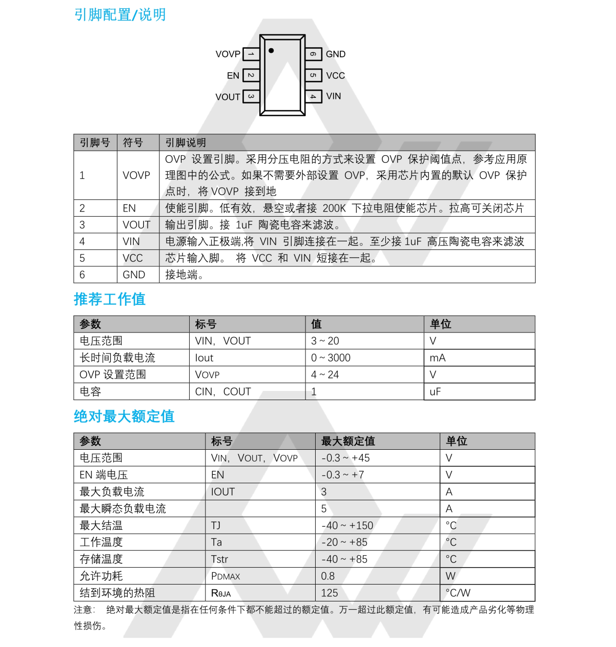
PW2609A
PW2609A
Model
PW2609A
Function
Adjustable OVP
Vin Range
3V~40V
Vout Range
3V~24V
Iout Range
≦3A(long),moment≦5A
Vin OVP Threshold
3V~24V
Package
SOT23-6L
Count
Buy Now
Add to Cart
Product Details
PCB Design Suggestions
Write a Comment
From
Email
Email Notification
Content
Comment will be posted after it is reviewed.
QR Code