Login
Register
简
繁
En
Home
Products
MOSFET
OVP/OCP Protection
Li-ion Charger
Li-ion Protector
LDO
Voltage Detector
DC-DC Boost
DC-DC Buck
DC-DC buck-Boost
USB Fast charging
PCB design scheme
Support
About us
Current Page :
Home
Li-ion Charger
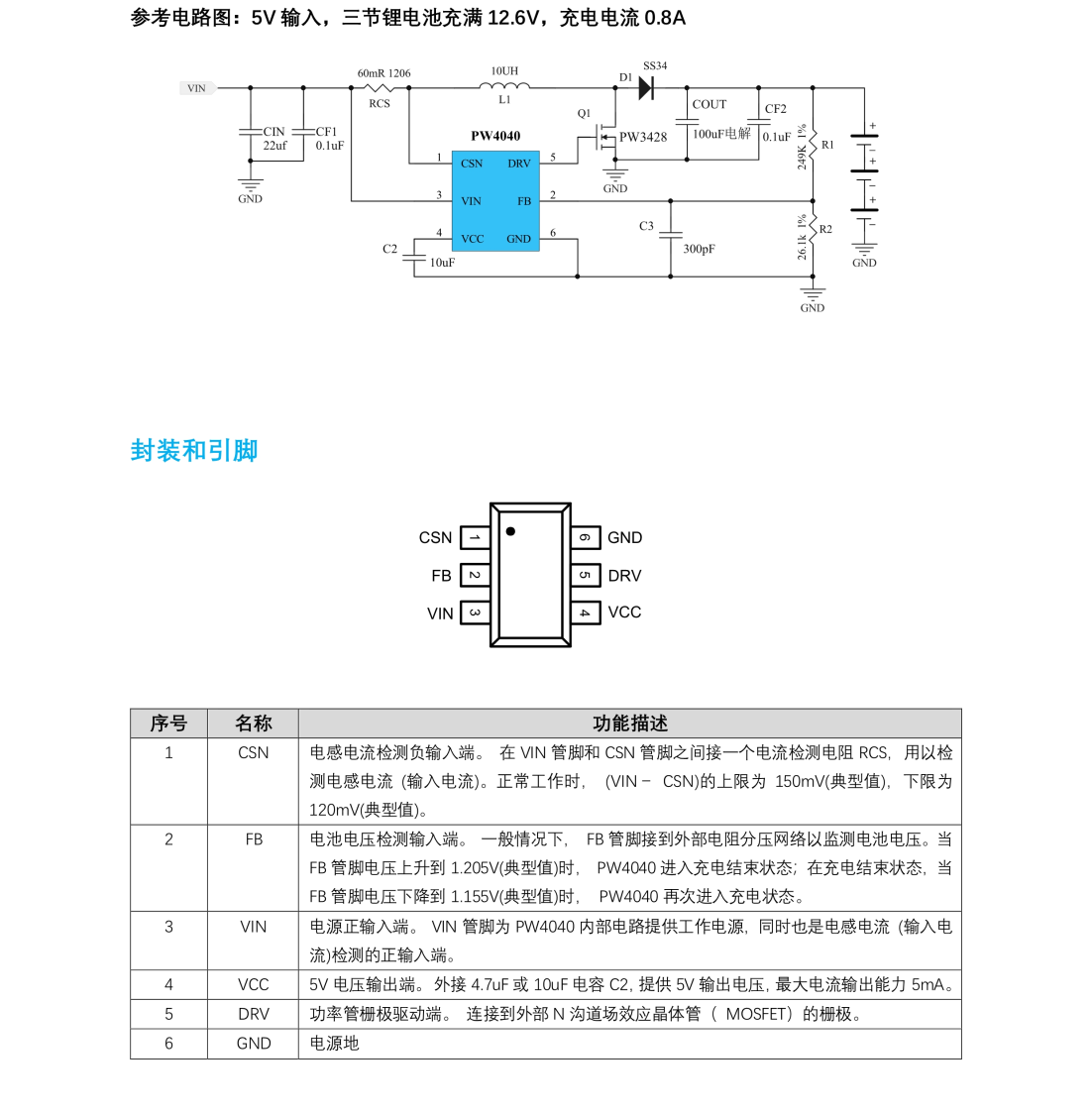
PW4040
PW4040
Model
PW4040
Vin Range
4.0V~24V
Battery charge MAX
~3A
Cells
2-4S
VFLOAT
Adjustable charging voltage
LED
2
Package
SOT23-6L
Count
Buy Now
Add to Cart
Product Details
PCB Design Suggestions
Write a Comment
From
Email
Email Notification
Content
Comment will be posted after it is reviewed.
QR Code