登录
注册
简
繁
En
首页
产品中心Products
MOSFET场效应管
OVP过压/OCP过流保护芯片
Li-ion Charger锂电池充电芯片
Li-ion Protector锂电池保护芯片
Li-ion charge-Discharge锂电池充放电芯片
LDO线性稳压芯片
Voltage Detector电压检测芯片
DC-DC Boost升压芯片
DC-DC Buck降压芯片
DC-DC Buck-Boost升降压芯片
PD/QC3.0快充协议芯片
PD/QC快充电压诱骗芯片
LED Drive LED驱动管理芯片
ESD静电保护管
解决方案
联系我们
技术支援与联系我们
代理商
公司简介
产品出货标签说明函
工程师论坛
技术文章
输出电压计算器
当前位置:
首页
OVP/OCP过压过流保护芯片
PW2609A
PW2609A
过压(OVP)
可调OVP
过流(OCP)
/
输入电压范围
3V~40V
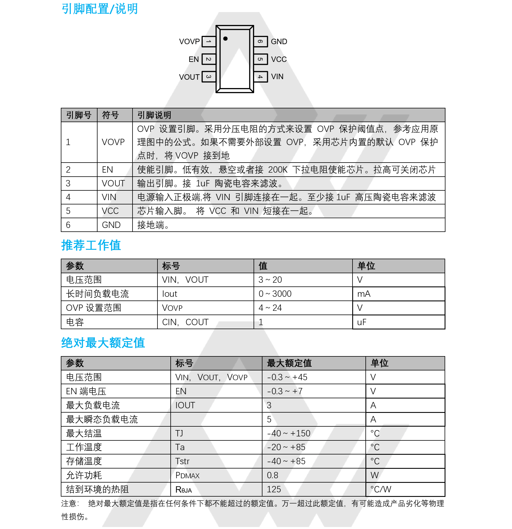
输入OVP过压保护阈值(关闭输出)
可调4V~24V / 固定6.1V
内阻
0.035Ω
输入和输出压差
电流X内阻
输出电流范围
≦3A
封装
SOT23-6L
备注
可调过压保护3V~24V,EN低电平有效
生产
量产
下载
PW2609A_Datasheet_PWCHIP.pdf
产品详情
PCB设计建议
PW2609A,可调过压保护3V~24V,EN低电平有效,输入2.5V欠压关闭
发表评论
评论列表
张恒
2025-07-16 16:47:27
请问2609和2609A芯片外观怎么区分 只能看料盘标识吗
杨工
2025-07-16 18:05:50
很明显的,PW2609A丝印现在是有PW2609A
金生
2025-04-11 18:12:44
您好,pw2609a使用默认ovp电压时,fb需要下拉电阻吗?还是可以直接接GND。感谢
杨工
2025-04-12 14:28:08
直接接GND
李继锋
2025-03-19 11:00:33
PW2609A
温工
2024-12-11 11:58:54
麻烦提供一下联系方式
杨工
2024-12-12 18:51:30
sale2@pwchip.com
谢工
2024-10-22 15:30:42
PW2609A用在15V 3A的输入端做过压保护是否可行
杨工
2024-10-22 16:09:27
可以
郭先生
2024-09-28 20:21:58
请问12V输入,输出电流1.5A,如果输出发生短路会烧坏PW2609A吗
杨工
2024-09-29 10:56:16
12V会,5V就不会,12V需要专门的限流IC,如PW1555和PW1558A
曾工
2024-05-13 17:30:05
PW2609 做5V 输入电源的一个过压保护,主要是防止热拔插导致的过压过流。请问前端TVS需要什么型号的?
杨工
2024-05-13 17:46:29
常规TVS管即可
肖先生
2024-04-09 22:53:50
pw2609A输入30V会不会烧坏
杨工
2024-04-10 10:28:17
输入30V需要输入加个电解电容100uF和TVS管就可以了
欧生
2024-04-08 16:30:08
需求PW2609A做5V充电的过压保护,找代理买还是找原厂买?联系方式是什么?TVS是用哪种比较合适?
杨工
2024-04-08 17:16:49
代理商
深圳市夸克微科技有限公司
邮箱: zqf@kkmicro.com
郁工
2024-06-18 17:29:58
该代理商有网店吗?我可以直接下单购买样品。
深圳红鼎
2024-03-17 15:21:50
需求PW2609A的过流保护IC
杨工
2024-03-17 22:58:14
正常供应的
1/1
发表评论
称呼
邮箱
接收邮件提醒
内容
评论通过审核后显示。
移动访问
深圳市夸克微科技有限公司
邮箱: zqf@kkmicro.com