登录
注册
简
繁
En
首页
产品中心Products
MOSFET场效应管
OVP过压/OCP过流保护芯片
Li-ion Charger锂电池充电芯片
Li-ion Protector锂电池保护芯片
Li-ion charge-Discharge锂电池充放电芯片
LDO线性稳压芯片
Voltage Detector电压检测芯片
DC-DC Boost升压芯片
DC-DC Buck降压芯片
DC-DC Buck-Boost升降压芯片
PD/QC3.0快充协议芯片
PD/QC快充电压诱骗芯片
LED Drive LED驱动管理芯片
ESD静电保护管
解决方案
联系我们
技术支援与联系我们
代理商
公司简介
产品出货标签说明函
工程师论坛
技术文章
输出电压计算器
当前位置:
首页
DC-DC Boost升压芯片
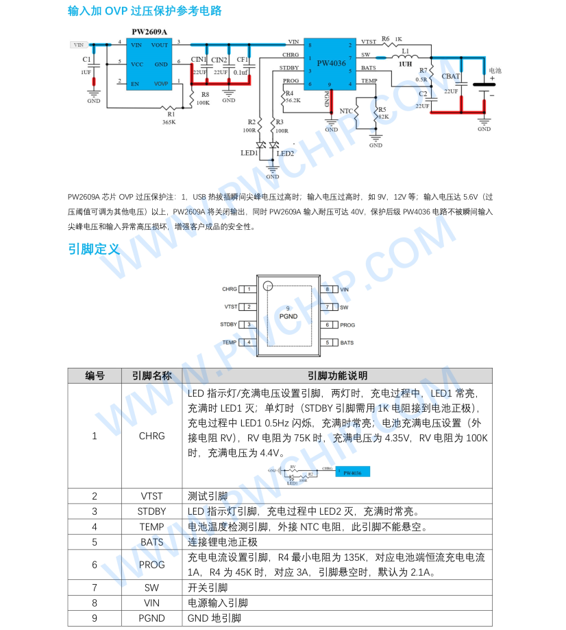
PW4036
PW4036
型号
PW4036
输入电压范围
4.5V~5.5V
输入最大耐压
6.5V
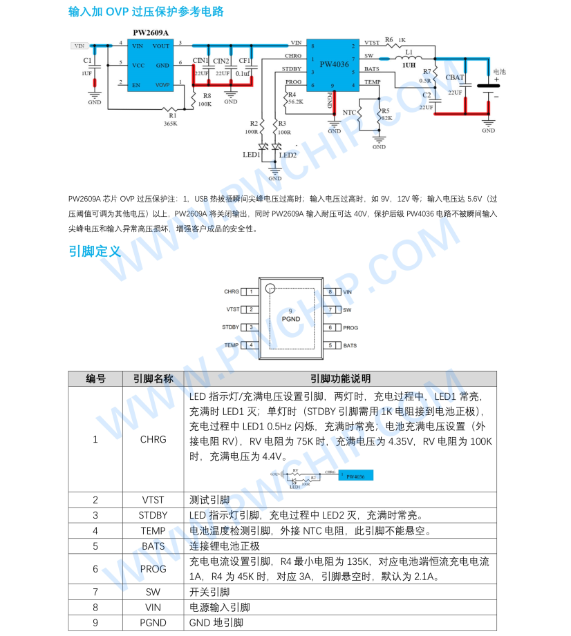
输入过压关闭充电阈值
无(可外加PW2609A)
类型
降压
充电电流(电池端)
1A~3A
锂电池类型(可多并联)
单节
充满电压
4.2V /4.35V / 4.4V
LED指示灯
双
封装
SOP8-EP
备注
USB输入给锂电池3A充电管理芯片
生产
量产
产品详情
PCB设计建议
USB输入给锂电池3A充电管理芯片,PW4036
发表评论
称呼
邮箱
接收邮件提醒
内容
评论通过审核后显示。
移动访问