登錄
註冊
简
繁
En
首頁
產品中心
MOSFET
OCP過壓限流保護
Li-ion Charger鋰電池充電
Li-ion Protector鋰電池保護
LDO線性穩壓器
Voltage Detector電壓檢測
DC-DC Boost升壓
DC-DC Buck降壓
DC-DC buck-Boost升降壓
技术支援
申請DEMO板
公司簡介
技術論壇
當前位置:
首頁
Li-ion Charger鋰電池充電
PW4036
PW4036
型號
PW4036
輸入電壓範圍
4.5V~5.5V
充電電流
1A~3A
鋰電池
1節
充滿電壓
4.2V /4.35V / 4.4V
LED指示燈
雙燈
封裝
SOP8-EP
備註
USB輸入給鋰電池3A充電管理芯片
生產
量產
數量
立即購買
加入購物車
下载
PW4036_平芯微PWCHIP_Li-ion Charger.pdf
產品詳情
PCB設計建議
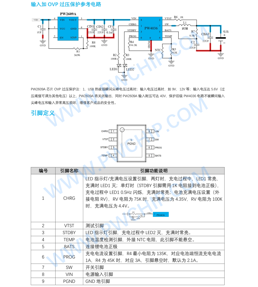
USB輸入給鋰電池3A充電管理芯片,PW4036
發表評論
稱呼
郵箱
接收郵件提醒
內容
評論通過審核後顯示。
移動訪問