登錄
註冊
简
繁
En
首頁
產品中心
MOSFET
OCP過壓限流保護
Li-ion Charger鋰電池充電
Li-ion Protector鋰電池保護
LDO線性穩壓器
Voltage Detector電壓檢測
DC-DC Boost升壓
DC-DC Buck降壓
DC-DC buck-Boost升降壓
技术支援
申請DEMO板
公司簡介
技術論壇
當前位置:
首頁
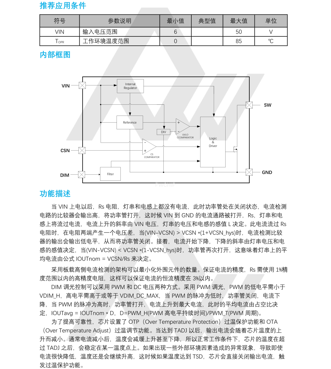
LED Drive LED驅動管理芯片
PW4115
PW4115
型號
PW4115
類型
Buck 降壓型
輸入電壓範圍
6V~60V
輸出電壓範圍
隨LED自動調整
最大電流
輸入1.5A
開關頻率
≦1MHz
封装
SOT89-5L
生產
量產
備註
DIM調光,1-15串LED燈
數量
立即購買
加入購物車
下载
PW4115_PWCHIP_LED Driver.pdf
產品詳情
PCB設計建議
發表評論
稱呼
郵箱
接收郵件提醒
內容
評論通過審核後顯示。
移動訪問